728x90
1. 릴레이션 스키마 설계 지침
① 릴레리션 애트리뷰트들의 의미
| ∘릴레이션 스키마를 형성하기 위해 애트리뷰트를 집단화 할 때는 각각의 애트리뷰트들이 실세계에서 어떤 의미를 가져야 하며, 그에 합당하는 적절한 해석을 가져야 함 ∘즉 설계자는 데이터베이스에 포함될 전체 애트리뷰트들을 대상으로 실세계에서 어떤 연관성이 있는 애트리뷰트들을 묶어서 하나의 릴레이션 스키마를 만들어 나감 ∘여러 엔티티(예를 들면 EMPLOYEE, DEPARTMENT, PROJECT 등)의 애트리뷰트들이 하나의 릴레이션에 혼합되면 안됨 ∘다른 엔티티를 참조하기 위해서는 외래키 만을 사용해야 함 ![]() [그림 1] 단순화된 COMPANY 관계 데이터베이스 예 ∘지침) 의미가 쉽게 전달되도록 릴레이션 스키마를 설계한다. 여러 개의 엔티티 타입과 관계 타입의 애트리뷰트를 섞어서 하나의 릴레이션을 구성하면 안 된다. 직관적으로, 하나의 릴레이션 스키마가 하나의 엔티니 타입이나 하나의 관계 타입에 대응된다면, 그 의미를 설명하기사 쉽다. 그렇지않고, 여러 개의 엔티티 타입과 관계 타입이 한 릴레이션에 섞이게 되면, 의미가 모호하게 되고 릴레리션을 쉽게 설명할 수 없다. |
② 투플에서 중복된 정보와 갱신 이상
| ∘하나의 릴레이션에 하나 이상의 엔티티의 애트리뷰트들을 혼합하는 것은 여러 가지 문제를 일으킬 수 있는데, 우선 정보가 중복 저장되며, 저장 공간을 낭비하게 되고, 또한 갱신 이상이 발생하게 되는데, 이것은 동일한 정보를 한 릴레이션에는 변경하고, 나머지 릴레이션에서는 변경하지 않은 경우 어느 것이 정확한지 알 수 없게 됨을 말함 ∘갱신 이상(update anomaly)의 종류에는 삽입 이상, 삭제 이상, 변경 이상이 있음 - 삽입 이상 (insertion anomalies)이란 예를 들어 EMP_DEPT에 객체를 삽입할 때 부서가 정해지지 않은 직원이나 직원이 없는 부서를 insert 하는데 문제가 발생함 - 삭제 이상 (deletion anomalies)이란 예를 들어 부서의 마지막 직원을 삭제하면 부서 정보도 없어짐 - 변경 이상 (modification anomalies)이란 예를 들어 부서 정보를 변경하면 부서의 모든 직원 투플에서 동일하게 변경해야 함 ![]() [그림 2] 갱신 이상이 발생하는 두 릴레이션 스키마 ∘위의 EMP_DEPT 릴레이션에서는 특정부서를 표현하는 애트리뷰트 값(DNUMBER, DNAME, DMGRSSN) 들이 그 부서에서 일하는 모든 사원 정보에 중복되어 저장됨 ∘위의 EMP_PROJ 릴레이션에서는 SSN에 따른 ENAME이 중복되고, PNUMBER에 따른 PNAME, PLOCATIONS의 정보가 중복되어 저장됨 ∘지침) 릴레이션에서 삽입, 삭제, 또는 수정 이상이 생기지 않도록 기본 릴레이션 스키마를 설계한다. 만약 어떤 이상이 존재하면, 그것을 잘 이해하여 데이터베이스를 수정하는 프로그램들이 올바르게 동작할 수 있도록 작성한다. |
③ 투플의 널값
| ∘릴레이션의 투플들이 널 값을 가지지 않도록 설계해야 함 - 널 값은 저장 단계에서 공간을 낭비하게 됨 - 논리적 차원에서는 조인 연산들을 지정하기 어려움 - 애트리뷰트들의 의미를 이해하기 어려움 - COUNT나 AVG와 같은 집단 함수들이 적용되었을 때 널 값의 해석이 모호함 ∘모든 널 값을 동일하게 표현하면 널 값이 갖는 여러 의미를 훼손하게 됨 ∘널값의 방지 기법은 널 값이 많이 나타나는 애트리뷰트들은 별개의 릴레이션으로 분리함 ∘예를 들어, 사원들 중에 10%만이 개인 사무실을 가지고 있는 경우에 office_no라는 애트리뷰트를 Employee에 추가하지 말고, Emp_office라는 새로운 릴레이션을 만드는 것이 office_no의 널값을 가지지 않도록 설계하는 기법임 ![]() [그림 3] 널값 방지를 위해 Emplyee 릴레이션의 분리 ∘지침) 널값을 자주 가질 수 있는 애트리뷰트를 가능한 한 기본 릴레이션의 애트리뷰트로 포함하지 않는다. 만약 널값을 포함할 수밖에 없다면 예외적인 경우에만 포함하고 대다수 투플들에 대해서는 널값이 없도록 한다. |
※ 널(null) 값의 의미
| ∘널 값은 다음과 같이 여러 가지로 해석이 가능함 - 애트리뷰트가 해당 투플에는 적용되지 않음 (존재 여부를 모름) - 투플에서 애트리뷰트의 값이 아직 알려져 있지 않음 (존재하지만 모름). - 애트리뷰트 값이 알려져 있지만 DB에 기록되지는 않았음 |
③ 가짜 투플의 생성
| ∘관계 데이터베이스 설계를 잘못하게 되면, 조인 연산들이 틀린 결과를 생성할 수 있음 ∘조인 연산의 결과가 올바르기 위해서는, 릴레이션들이 “무손실 조인(lossless join)” 조건을 만족하도록 설계되어야 함 ![]() [그림 4] EMP_PROJ에 대한 나쁜 설계 : (a) [그림 2]의 EMP_PROJ를 두 개의 릴레이션 스키마 (EMP_LOCS와 EMP_PROJ1)로 표현 (b) [그림 2] EMP_PROJ 릴레이션을 EMP_LOCS 와 EMP_PROJ1 릴레이션의 애트리뷰트들 상에 프로젝트 한 결과 ![]() [그림 5] EMP_PROJ1, EMP_LOCS의 실선 윗부분 자연조인 적용 결과 (*는 가짜 투플) ∘지침) 가짜 투플들이 생성되지 않도록 하기 위해서, 기본키나 외래키 애트리뷰트를 가지고 동등 조건으로 조인할 수 있는 릴레이션 스키마를 설계한다. (외래키, 기본키) 조합을 제외하고 릴레이션들이 대응하는 애트리뷰트(match attributes)들을 가지지 않도록 한다. 왜냐하면 그러한 애트리뷰트에 대한 조인은 가짜 투플을 생성하기 때문이다. |
2. 함수적 종속성
① 함수 종속성의 정의
| ∘X와 Y를 임의의 애트리뷰트들의 집합이라고 할 때, X의 값이 Y의 값을 유일하게(unique) 결정한다면 “X는 Y를 함수적으로 결정한다(functionally determines)”라고 함 ∘X → Y로 표기하고, “Y는 X에 함수적으로 종속된다” 라고 함 ∘함수적 종속성은 모든 릴레이션 인스턴스 r(R)에 대하여 성립해야 함 ∘함수적 종속성의 검사 방법은 릴레이션 인스턴스 r(R)에 속하는 어떠한 임의의 두 투플에 대해서도 속성들의 집합 X에 대해 동일한 값을 가질 때마다 Y에 대해서도 동일한 값을 가진다면 X → Y라는 함수적 종속성이 성립함 ∘즉, r(R)에서의 임의의 두 투플 t1과 t2에 대해 t1[X] = t2[X]이면, t1[Y] = t2[Y] 임 ∘함수 종속성는 특정 릴레이션 인스턴스보다는 실세계에서 존재하는 애트리뷰트들 사이의 제약조건으로부터 유도됨 ∘함수 종속성 제약조건의 예제 - 주민등록번호는 사원의 이름을 결정함 SSN → ENAME - 프로젝트 번호는 프로젝트 이름과 위치를 결정함 PNUMBER → {PNAME, PLOCATION} - 사원의 주민등록번호와 프로젝트 번호는 그 사원이 일주일동안 그 프로젝트을 위해서 일하는 시간을 결정함 {SSN, PNUMBER} → HOURS ∘함수 종속성은 릴레이션 스키마(내연) R의 특성이지, R의 어떤 특정 적법한 릴레이션 상태(외연)r의 특성은 아님 ∘따라서 함수 종속성은 주어진 릴레이션 r로부터 자동적으로 추측할 수 있는 것이 아니라 R의 애트리뷰트들의 의미를 아는 사람이 명시적으로 정의해야 함 ∘한 릴레이션 투플 t1, t2가 있다면, t1[K] = t2[K]인 서로 다른 두개의 투플이 존재하지 않기 때문에, K가 R의 키이면 K는 R의 모든 애트리뷰트들을 함수적으로 결정함 ∘앞의 [그림 2]이 EMP_DEPT 및 EMP_PROJ의 화살표그림은 함수적 종속성을 그림으로 표현한 것임 |
② 함수적 종속성(FD)의 추론 규칙
| ∘설계자는 주어진(알려진) FD의 집합 F로서, 추가로 성립하는 FD들을 추론할 수 있음 ∘암스트롱의 추론 규칙 - IR1. (재귀성 규칙) Y ⊆ X이면, X → Y - IR2. (부가성 규칙) X → Y이면, XZ → YZ - IR3. (이행성 규칙) X → Y이고 Y → Z이면, X → Z ∘IR1을 각 애트리뷰트 집합이 항상 자신이나 자신의 임의의 부분집합을 결정한다는 것으로 이것은 명백하며, IR2는 동일한 애트리뷰트 집합을 함수적 종속성의 왼편과 오른편에 붙이는 것인데, 이것도 역시 명백히 성립하고, IR3에 따르면 합수적 종속성을 이행적임 ∘추가적으로 유용한 추론 규칙 - IR4. (분해 규칙) X → YZ이면, X → Y이고 X → Z - IR5. (합집합 규칙) X → Y이고 X → Z이면, X → YZ - IR6. (의사이행성 규칙) X → Y이고 WY → Z이면, WX → Z ∘IR4는 함수적 종속성의 오른쪽에서 애트리뷰트를 제거할 수 있다는 것이며, IR5는 분해규칙의 역인 합집합 규칙도 성립함 ∘FD의 집합 F의 폐포(closure) : F+ - F로부터 추론할 수 있는 모든 가능한 함수적 종속성들의 집합 ∘F하에서 속성 집합 X의 폐포(closure of X under F) : X+ - 함수적 종속성 집합 F를 사용하여 X에 의해 함수적으로 결정되는 모든 애트리뷰트들의 집합 - 예) F = SSN→ENAME, PNUMBER→PNAME, PLOCATION, SSN, PNUMBER→HOURS 알고리즘을 사용하여 F하에서 다음과 같은 폐포 집합들을 구할 수 있음 SSN+=SSN, ENAME PNUMBER+ = PNUMBER, PNAME, PLOCATION SSN, PNUMBER+ = SSN, PNUMBER, ENAME, PNAME, PLOCATION, HOURS - F하의 X의 폐포 X+를 구하는 알고리즘 X+ := X; repeat oldX + := X+; for each functional dependency Y → Z in F do if Y ⊆ X+ then X+ := X+ ∪ Z; until (oldX+ = X +); |
③ 함수적 종속성 집합의 동등성과 종속성의 최소집합
| ∘커버(cover)라는 용어의 정의 - E의 모든 FD가 F로부터 추론될 수 있다면(E+⊆F+), "F가 E를 커버(cover)한다" 표현함 ∘두 FD 집합의 동등성 정의 - FD의 집합 E와 F에 대하여, F의 모든 FD가 E로부터 추론될 수 있고, E의 모든 FD가 F로 부터 추론될 수 있으면 “E와 F는 동등하다(equivalent)” 라고 표현함 - F와 E가 다르더라도 F+ = E+이면 F와 E는 동등함 - F가 E를 커버하고 E가 F를 커버하면 F와 E는 동등함 ∘다음 세 조건을 만족하는 함수적 종속성들의 집합 F의 최소(minimal)라고 정의함 - F의 모든 함수적 종속성들의 오른쪽편 애트리뷰트가 하나임 - F로부터 어떤 함수적 종속성을 제거했을 때, F와 동등한 함수적 종속성들의 집합이 될 수 없음 - F에서 X→A를 X의 진부분집합 Y에 대하여 Y→A로 교체했을 때, F와 동등한 함수적 종속성들의 집합이 될 수 없음 ∘함수적 종속성의 최소집합은 중복이 없는 표준형(standard form) 도는 규준형(canonical form)이라고 생각할 수 있음 ∘함수적 종속성들의 집합 F의 최소 덮개(minimal cover)는 F와 동등한 함수적 종속성들의 최소 집합 Fmin을 의미함 ∘함수적 종속성들의 최소 덮개는 여러 개 존재할 수 있음 ∘또한, 임의의 함수적 종속성들의 집합 F에 대해 알고리즘을 사용하여 적어도 하나의 최소 덮개를 구할 수 있다 ∘함수적 종속성 집합 E에 대한 최소 커버 F를 구하는 알고리즘 ① Set F := E. ② Replace each functional dependency X→{A1,A2,...,An} in F by the n functional dependencies X→A1,X →A2,...,X→An. ③ For each functional dependency X→A in F for each attribute B that is an element of X if {{F-{X→A}} U {(X-{B})→A}} is equivalent to F, then replace X→A with {X-{B}}→A in F. ④ For each remaining dependency X→A in F if {{F-{X→A}} is equivalent to F, then remove X→A from F. |
3. 기본 정규형
① 정규화의 의미
| ∘정규화(normalization)란 불만족스러운 “나쁜” 릴레이션의 애트리뷰트들을 나누어서 더 작은 “좋은” 릴레이션으로 분해하는 과정을 말함 ∘Codd(1972)가 처음 제안한 정규화 과정은 어떤 릴레이션 스키마가 어떤 정규형을 만족하는지 확인하는 일련의 테스트였음 ∘정규형(normal form)는 특정 조건을 만족하는 릴레이션 스키마의 형태를 말함 ∘정규형에서 제2 정규형, 제3 정규형, BCNF은 한 릴레이션 스키마의 애트리뷰트 사이에 함수 종속성(FD)을 기반으로 정의되었으며, 제 4정규형은 키와 다치 종속성(MVD) 개념을 기반으로 정의되었고, 제5 정규형은 조인 종속성(JD) 개념을 기반으로 정의되었음 ∘정규화(Normalization)의 원칙 - 정규화 = 스키마 변환 (S→S') ① 정보의 무손실 표현(nonloss representation of information) - 같은 의미의 정보 유지해야 하며 구조상으로는 더 바람직한 형태가 되어야 함 ② 최소의 데이터 중복성(minimal data redundancy) 허용 - 중복으로 인한 이상을 제거할 수 있기 때문임 ③ 분리의 원칙(principle of separation) - 하나의 독립된 관계성은 하나의 릴레이션으로 분리시켜 표현한다는 것 |
※ 정규화의 필요성과 좋은 데이터베이스 설계의 추가적인 조건
| ∘정규화는 다음과 같은 이유로 그 필요성의 의미를 찾을 수 있음 - 설계된 모든 릴레이션은 동등(평등)하지 않음 - 잘못 설계된 릴레이션은 관계 연산시에 발생하는 이상(anomaly) 현상을 제거하기 위해 제약조건을 릴레이션 설계시에 반영해야 함 ∘좋은 데이터베이스 설계를 보장하기 위해서는 정규화 외에 추가적인 조건들이 필요함 - 종속성 보존 특성(dependency preservation property) - 무손실 조인 특성(lossless join property) |
② 제1 정규형 (1NF, First Normal Form)
| ∘복합 애트리뷰트(composite attribute), 다치 애트리뷰트(multivalue attribute), 그리고 중첩 릴레이션(nested relation) 등 비원자적(non-atomic) 애트리뷰트들을 허용하지 않은 릴레이션의 형태 - 애트리뷰트의 도메인이 오직 원자값(atomaic value)들만 포함하고, 투플의 모든 애트리뷰트 값은 그 애트리뷰트 도메인에 속하는 하나의 값이어야 함 - '릴레이션 안의 릴레이션‘, ’애트리뷰트 값들로서의 릴레이션‘은 허용치 않음 ∘제1 정규형이 아닌 릴레이션 스키마 및 릴레이션 인스턴스의 예는 다음 그림과 같음 - 즉 릴레이션 DEPARTMENT의 DLOCATIONS 애트리뷰트에는 원자값이 아닌 세 개의 값{Bellaire, Sugarland, Houston}을 볼 수 있음 - 릴레이션의 각 애트리뷰트는 기본키 DNUMBER에 함수적으로 종속되어 있음 ![]() [그림 6] 제1 정규형이 아닌 릴레이션 스키마 및 그 인스턴스의 예 ∘릴레이션 DEPARTMENT에서 비원자적 요소를 단순하게 원자값으로 변형하여 제1 정규형 버전으로 변형할 경우 다음과 같이 기본키 DNUMBER의 중복현상을 초래함 - 이 경우 기본키를 {DNUMBER, DLOCATIONS}로 할 경우 중복데이터가 발생하기 때문에 DLOCATIONS 애트리뷰트를 제거하여 별도의 릴레이션 {DNUMBER, DLOCATIONS} 을 구성하는 것이 바람직함 ![]() [그림 7] 중복이 포함된 제1 정규형 릴레이션 |
③ 제2 정규형(2NF, Second Normal Form)
| ∘제2 정규형은 함수 종속성(FD)과 기본 키 개념을 기반에 둠 ∘제2 정규형의 정의 - 릴레이션이 제1 정규형을 만족하고, 키에 속하지 않는 애트리뷰트들은 모두 기본키에 완전 함수 종속이 될 경우에 제2 정규형에 속함 - 완전 함수적 종속성(full functional dependency): FD Y → Z에서 Y의 어떤 애트리뷰트라도 제거하면 더 이상 성립하지 않는 경우를 말함 ∘제2 정규형 예제 - {SSN, PNUMBER} → HOURS는 SSN → HOURS와 PNUMBER → HOURS가 성립하지 않기 때문에 완전 함수적 종속성임 - {SSN, PNUMBER} → ENAME은 SSN → ENAME이 성립하기 때문에 완전 함수적 종속성이 아님, 이것은 부분 함수 종속성(partial function dependency)이라고 칭함 - 릴레이션 스키마 R의 모든 비 기본(non-prime) 애트리뷰트들이 기본키에 대해서 완전 함수적 종속이면, R은 제2 정규형(2NF)에 속함 ![]() [그림 8] EMP_PROJ를 제 2 정규형으로 정규화 |
※ 제2 정규형의 무손실 분해
∘무손실 분해(nonloss decomposition)![]() - 프로젝션하여 분해된 릴레이션들은 자연 조인을 통해 원래의 릴레이션으로 복귀 가능 - 원래의 릴레이션에서 얻을 수 있는 정보는 분해된 릴레이션들로부터도 얻을 수 있음. 그러나 그 역은 성립하지 않음 ∘Heath의 무손실 분해 - R(A,B,C)에서 함수 종속 A→B가 성립하면 ⇒ R1(A,B), R2(A,C) 로 무손실 분해 가능 |
④ 제3 정규형(3NF, Third Normal Form)
| ∘제3 정규형은 이행적 종속성의 개념에 그 기반을 두고 있음 ∘제3 정규형의 정의 - 릴레이션 스키마 R이 제2 정규형을 갖고 R의 어떤 비 기본 애트리뷰트도 기본키에 대해서 이행적으로 종속되지 않으면 릴레이션 R은 제 3 정규형을 갖는다고 함 . 이행적 함수적 종속성(transitive functional dependency): 두 FD Y → X와 X → Z에 의해서 추론될 수 있는 FD Y → Z . 예) SSN → DMGRSSN은 SSN → DNUMBER과 DNUMBER → DMGRSSN이 성립하기 때문에 이행적 함수적 종속성임 SSN → ENAME는 SSN → X이고 X → ENAME인 애트리뷰트 집합 X가 존재하지 않기 때문에 이행적 종속성이 아님 - 릴레이션 R은 정규화 과정에 의해서 항상 제3 정규형 릴레이션으로 분해될 수 있음 ![]() [그림 9] EMP_DEPT를 제3 정규형으로 정규화 ∘제2, 제3 정규형 일반적 정리 - 여러개의 후보 키를 가진 릴레이션들을 고려함 -릴레이션 스키마 R의 모든 비기본 애트리뷰트 A가 R의 모든 후보키에 완전 함수적 종속이면 R은 제2 정규형(2NF)을 갖는다고 함 - 릴레이션 스키마 R의 수퍼키(superkey): R의 후보키를 포함한 R의 애트리뷰트들의 집합 S릴레이션 스키마 R의 FD X → A가 성립할 때마다 (a) X 가 R의 수퍼키이거나 (b) A가 R의 기본 애트리뷰트이면 R은 제3 정규형(3NF)을 갖는다고 하며, 다음 절에 언급할 보이스 코드(Boyce-Codd) 정규형은 위의 조건중 (b)의 경우를 허락치 않는 정규형을 의미함 * 기본 애트리뷰트(prime attribute): 임의의 후보키 K의 멤버인 애트리뷰트 |
※ 제3 정규형의 약점
| ∘복수의 후보키를 가지고 있고, 후보키들이 복합 애트리뷰트들로 구성되고, 후보키들이 서로 중첩되는 경우에는 적용 불가능함⇒ 보다 일반적인 BCNF 형태를 제안함 |
⑤ 보이스-코드 정규형 (BCNF, Boyce-Codd Normal Form)
| ∘릴레이션 스키마 R에서 성립하는 임의의 FD X → A에서 X가 R의 수퍼키이면 R은 Boyce-Codd 정규형(BCNF)을 갖는다고 함 ∘각 정규형은 그의 선행 정규형보다 더 엄격한 조건을 갖는다. 즉, 모든 제2 정규형 릴레이션은 제1 정규형을 갖는다. 모든 제3 정규형 릴레이션은 제2 정규형을 갖는다. 모든 보이스-코드 정규형 릴레이션은 제3 정규형을 갖임 - 강력한 제3 정규형 ∘릴레이션의 모든 결정자가 후보키이면 보이스-코드 정규형이 됨 ∘제3 정규형이지만, 보이스-코드 정규형이 아닌 릴레이션의 예 - FD1: {STUDENT, COURSE} → INSTRUCTOR - FD2: INSTRUCTOR → COURSE ; 각 강사는 하나의 과목만 가르친다는 전제조건 - {STUDENT, COURSE}가 이 릴레이션의 기본 키이고, 다음과 같은 함수종속 다이어그램으로 표시할 수 있음 ![]() [그림 10] 제3 정규형이지만, BCNF가 아닌 함수종속 관계 ∘이것을 분해할 수 있는 세 가지 방법은 다음과 같음 - {STUDENT, INSTRUCTOR}와 {STUDENT, COURSE} - {COURSE, INSTRUCTOR}와 {COURSE, STUDENT, } - {INSTRUCTOR, COURSE}와 {INSTRUCTOR, STUDENT} ∘이 세 가지 분해는 모두 함수적 종속성 FD1을 잃어 버림 ∘가장 바람직한 분해는 가짜 투플이 생성치 않는 세 번째 방법임 - {INSTRUCTOR, COURSE}와 {INSTRUCTOR, STUDENT} |
※ 기본키에 기반을 둔 정규형과 대응되는 정규화의 요약
|
정유형
|
검사 | 방법(정규화) |
| 제 1 정규형 | 릴레이션은 비원자 애트리뷰트나 중첩 릴레이션을 가지지 않아야 함 | 각 비원자 애트리뷰트나 중첩 릴레이션에 대해 새로운 릴레이션을 만듬 |
| 제 2 정규형 | 복합키로 구성된 릴레이션에서 키가 아닌 애트리뷰트들은 기본키의 일부분에 함수 종속해서는 안됨 | 각 부분키와 이에 종속하는 애트리뷰트들에 대한 새로운 릴레이션으로 분해함 |
| 제 3 정규형 | 릴레이션에서 키가 아닌 애트리뷰트들이 키가 아닌 다른 애트리뷰트레 함수적으로 종속해서는 안됨. 키가 아닌 애트리뷰트들이 기본키에 이행적으로 종속해서는 안됨 | 키가 아닌 다른 애트리뷰트들을 함수적으로 결정하는 키가 아닌 애트리뷰트들을 포함하는 새로운 릴레이션으로 분해함 |
4. 진보된 정규형
① 제4 정규형(4NF) - 1
| ∘함수적 종속성은 하나의 공통된 형태의 제약조건을 명시하기 위해서 사용되며, 함수적 종속성 만에 의해서 명시될 수 없는 다른 형태의 제약조건들이 존재하는데, 이에 추가적인 종속성에는 다치 종속성(multi-valued dependency)이 있으며, 이 다치 종속성에 기반을 둔 정규형이 제4정규형(4NF)임 ∘정형적 정의 - 릴레이션 스키마 R에 대해, X와 Y는 R의 애트리뷰트들의 부분집합이다. 그리고 Z = R-(X ∪ Y) (남은 애트리뷰트들)이다. 릴레이션 스키마 R에서 성립하는 다치 종속성 X ↠ Y는 R의 임의의 인스턴스 r(R)에 대해, 만약 t1[X] = t2[Y]를 만족하는 r(R)의 두 투플 t1, t2가 존재한다면, 다음의 성질을 만족하는 두 개의 투플 t3와 t4도 반드시 존재해야 함 . t3[X] = t4[X] = t1[X] = t2[X] . t3[Y] = t1[Y]이고 t4[Y] = t2[Y] . t3[Z] = t2[Z]이고 t4[Z] = t1[Z] ∘MVD 제약조건은 Z의 값에 관계없이 X의 값이 Y의 값들의 집합을 결정한다는 것을 암시함 ∘MVD의 특성: X ↠ Y가 성립하면, X ↠ Z도 성립함 ∘애트리뷰트들의 집합 X의 값이 애트리뷰트들의 집합 Y의 값을 결정한다면, X는 Y를 다중결정한다(multidetermine)고 함 ∘MVD X ↠ Y가 “Y⊆X” 혹은 “(X∪Y) = R” 이면 단순 다치 종속성(trivial MVD)이라고 함 ∘단순 다치 종속성은 다치 종속성의 정의에 따라 항상 성립함 ![]() [그림 11] 다치 종속성과 제4 정규형 ∘EMP는 두 개의 다치 종속성을 가짐 : ENAME ↠ PNAME, ENAME ↠ DNAME ∘EMP 릴레이션을 제4정규형인 EMP_PROJECTS, EMP_DEPENDENTS 릴레이션으로 분해함 |
② 제4 정규형(4NF) - 2
| ∎함수적 종속성 및 다치 종속성의 추론 규칙 ∘함수적 종속성과 다치 종속성을 위한 건전(sound)하고 완전(complete)한 추론 규칙들의 집합 IR1. (FD의 재귀성 규칙): X⊇Y이면, X→Y 이다 IR2. (FD의 부가성 규칙): {X→Y} |= XZ→YZ IR3. (FD의 이행성 규칙): {X→Y, Y→Z} |= X→Z IR4. (MVD의 보완성 규칙): {X ↠ Y} |= {X ↠ (R-(X∪Y))} IR5. (MVD의 부가성 규칙): X ↠ Y이고 W⊇Z이면, WX ↠ YZ이다 IR6. (MVD의 이행성 규칙): {X ↠ Y, Y ↠ Z} |= X ↠ (Z-Y) IR7. (FD에서 MVD로의 모사 규칙): {X→Y} |= X ↠ Y IR8. (FD와 MVD의 합동 규칙): X ↠ Y이고, (a)W∩Y가 공집합, (b) W→Z, (c) Y⊇Z인 W가 존재하면, X→Z이다 주의 - 규칙 IR7에 의해, 모든 FD는 MVD임 - 규칙 IR1에서 IR8를 적용하면 함수적 종속성들의 집합에 대한 폐쇄 F+를 유도 가능 ∎제 4 정규형의 특성: ∘3NF와 BCNF는 다치 종속성을 다루지 않음 ∘비 단순 다치 종속성을 가지는 릴레이션 스키마는 좋은 디자인이 아닐 수 있음 ∘제 4 정규형은 위와 같은 문제를 다루며, BCNF 정규형이 됨 (제 4 정규형에 속하는 모든 릴레이션은 BCNF 정규형에 속함) ∘제 4 정규형의 정형적 정의: - 종속성들의 집합 F에 대한 F+의 모든 비단순 다치 종속성 X ->> Y 에 대하여, X가 R의 수퍼키이면 릴레이션 스키마 R은 F에 대한 제 4 정규형임 ∎제4정규형 릴레이션으로의 무손실 조인 분해 ∘모든 MVD는 FD이므로, 제 4 정규형은 BCNF를 포함함 ∘F의 모든 종속성이 함수적 종속성이면, 4NF의 정의는 자동적으로 BCNF 정의가 됨 ∘릴레이션 R 상의 종속성의 집합 F에 대해 R을 제 4 정규형 릴레이션으로 무손실 조인 분해하는 알고리즘이 존재함 ∘특성 LJ1’: R의 분해집합 D = {R1, R2}가 종속성의 집합 F에 대해 무손실 조인 특성을 가질 필요충분조건은 다음의 둘 중 하나를 만족하는 것임 - 종속성 ((R1∩R2) ↠ (R1-R2))가 F+에 속함 - 종속성 ((R1∩R2) ↠ (R2-R1))가 F+에 속함 |
③ 제5 정규형(5NF, Project-Join NF: PJNF)
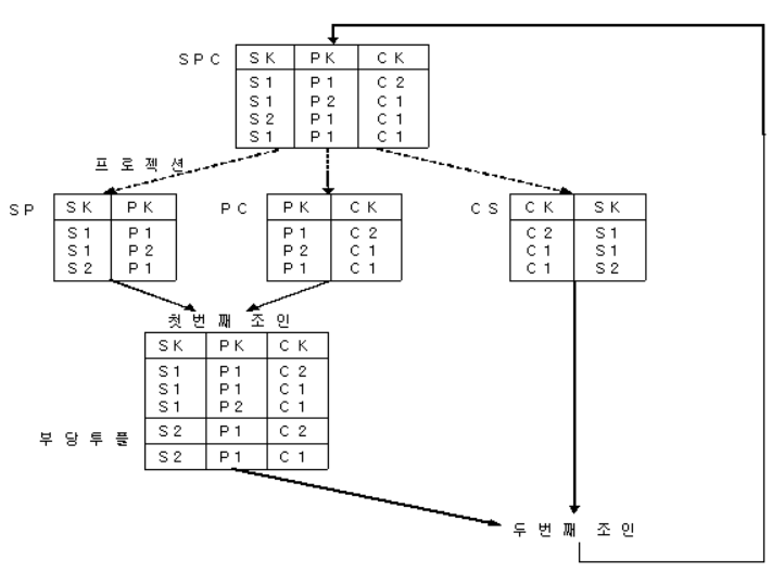
| ∘조인 종속성은 R에 지정된 조인 종속성은 JD(R1, R2, …, Rn)으로 표기하며, R의 상태 r에 대하여 “R의 모든 합법적 상태 r이 R1, R2, …, Rn으로의 무손실 조인 분해를 가져야 한다”는 점임 ∘다치 종속성은 n이 2인 특별한 경우로서 JD(R1, R2)로 표기하는 조인 종속성은 다치 종속성 (R1∩R2) ↠ (R1-R2) (또는 대칭성에 (R1∩R2) ↠ (R2-R1))를 의미한다. JD(R1, R2, …, Rn)에 있는 릴레이션 스키마 Ri중에 하나가 R과 동일할 경우, 릴레이션 스키마 R에 명시된 조인종속성 JD(R1, R2, …, Rn)은 무의미 조인 종속성이라 부름 ∘R이 함수적 종속성, 다치 종속성, 그리고 조인 종속성들의 집합인 F에 대해 모든 비 단순 조인 종속성 FD(R1, R2, …, Rn)가 F+에 속하고, Ri가 R의 수퍼키라면, R은 제5정규형에 속함 ∘프로젝트-조인 정규형(Project-Join NF: PJNF)이라고도 함 ∘조인 종속성을 발견하는 것은 매우 어려운 일로, 실제로 제5 정규형은 거의 쓰이지 않음 ![]() [그림 12] 프로젝션과 조인 (점선은 프로젝션, 실선은 조인) ∘만일 <S1,P1,C2>, <S2,P1,C1>, <S1,P2,C1>이 SPC에 포함되어 있으면, <S1,P1,C1>도 SPC에 포한되어야 한다는 제약 조건이 합법적으로 적용된다면, 이것은 시간에 독립적인 SPC의 제약 조건이며, 순환적 특징을 가지고 있는 제약 조건임 ∘3-분해 릴레이션 SPC가 어떤 프로젝션들을 조인한 결과와 EHr 같아야 한다고 할떄 이 제약 조건을 조인 종속(JD, Join Dependency)하고 함 ∘위의 SPC는 조인종속을 만족하고, SP, PC, CS의 3-분해 릴레이션이며, 만약 분해하지 않을 경우에 다음 예와 같이 갱신이상이 발생됨 -예1) <S2,P1,C1>을 삽입하려 한다면, 본의 아니게 <S1,P1,C1>도 함께 삽입해야 함 -예2) <S1,P1,C1>을 삭제하려면, 적어도 다른 나머지 투플 중에 하나를 함께 삭제해야 함 |
5. 정규형간의 관계
① 포함 종속성과 템플리트 종속성
| ∎포함 종속성 ∘포함 종속성은 릴레이션들 사이의 제한조건 표시함; 외래키 조건, 클래스-서브클래스 조건 ∘정의: 릴레이션 R의 애트리뷰트 집합 X와 릴레이션 S의 애트리뷰트 집합 Y사이의 포함 종속성 R.X < S.Y는 R의 릴레이션 상태 r과 S의 릴레이션 상태 s에 대해 다음과 같은 조건을 만족해야 함 * (ΠX(r(R)) ⊆ ΠY (s(S)) ∘포함 종속성에 대한 세 가지 추론 규칙: - IDIR1(재귀성 규칙): R.X < R.X - IDIR2(애트리뷰트 대응 규칙): X={A1, A2,…, An}이고 Y={B1, B2,…, Bn}일 때, R.X < S.Y이고 Ai가 Bi에 대응한다면 R.Ai < S.Bi 이다 - IDIR3(이행성 규칙): R.X < S.Y이고 S.Y < T.Z이면, R.X < T.Z이다 ∎템플리트 종속성 ∘템플리트 종속성: 각 제약조건과 함수적 종속성을 템플리트 혹은 예제를 사용하여 지정하는 방법을 말함 ∘템플리트의 종류: 투플-생성 템플리트, 제약조건-생성 템플리트 ∘템플리트는 많은 수의 가설 투플(hypothesis tuple)로 구성되며, 템플리트의 나머지 부분은 템플리트 결론(templete conclusion)이라 함 - 투플-생성 템플리트 결론: 가상 투플에 있다면 릴레이션에 반드시 나타나야 하는 투플들의 집합 - 제약조건-생성 템플리트 결론: 가상 투플들에 대해서 반드시 지켜져야 하는 조건 ∘고용자의 월급이 직속 상급자의 월급보다 많을 수 없다는 제약조건에 대한 템플리트의 예는 다음 그림과 같음 EMPLOYEE = {NAME, SSN, …, SALARY, SUPERVISORSSN } a b c dHypothesis e d f g ---------------------Conclusion c < f
![]() [그림 13] 템플리트 종속성의 예 |
② 정규형간의 포함 관계
| ∘정규형의 차수가 높을수록 보다 강한 제약조건이 적용됨 ∘모든 릴레이션을 반드시 제5 정규형에 속하도록 분해하면 좋다는 것은 아님 ∘데이터베이스 설계자가 효율적인 데이터베이스 구축을 위해 응용에 결부시키면 됨 ![]() [그림 14] 정규형 간의 포함 관계 ∘릴레이션의 정규화는 실제 데이터 값이 아니라 개념적인 측면에서 다루어져야 함 ∘ 실제 정규화 과정은 정규형의 순서와 다를 수 있음 |
'정보과학 > 데이터베이스특론' 카테고리의 다른 글
| 트랜잭션 처리 (0) | 2023.09.05 |
|---|---|
| 시스템 카탈로그 및 질의 최적화 (0) | 2023.09.05 |
| 설계 및 프로그래밍 실습 (0) | 2023.09.04 |
| SQL (1) | 2023.09.03 |
| 관계데이터 모델 (0) | 2023.09.03 |














